Descrição
Gerador de Ar Quente
O gerador de ar quente industrial é projetado para aquecimento eficiente de grandes volumes de ar, sendo amplamente utilizado em processos que exigem calor controlado, como secagem industrial, aquecimento de ambientes, estufas, fornos e linhas de produção.
Com faixa de potência entre 4,3 kW e 9,0 kW, o equipamento alcança temperaturas de até 700 °C, oferecendo elevado desempenho térmico e versatilidade para diferentes aplicações industriais.
O controle de temperatura pode ser feito por potenciômetro integrado ou via sistema externo/PLC, garantindo ajustes precisos e seguros conforme os requisitos do processo.
Desenvolvido para operar com alimentação de ar externa, por meio dos confiáveis sopradores de ar HERZ, o equipamento garante um fluxo de ar quente direcionado e constante, ideal para aplicações que exigem precisão e robustez.
Disponível em diversas configurações, o gerador pode ser personalizado de acordo com os requisitos técnicos da sua operação industrial.
Vantagens
- Aquecimento rápido e estável
- Alta durabilidade para uso contínuo
- Controle preciso de temperatura
- Design modular e compacto
- Integração simples com sistemas industriais
Assistência técnica:
A Terra Nova Tecnologia de Processos Ltda. fornece assistência técnica em sua sede. Nossa equipe é especializada nos produtos que comercializamos.
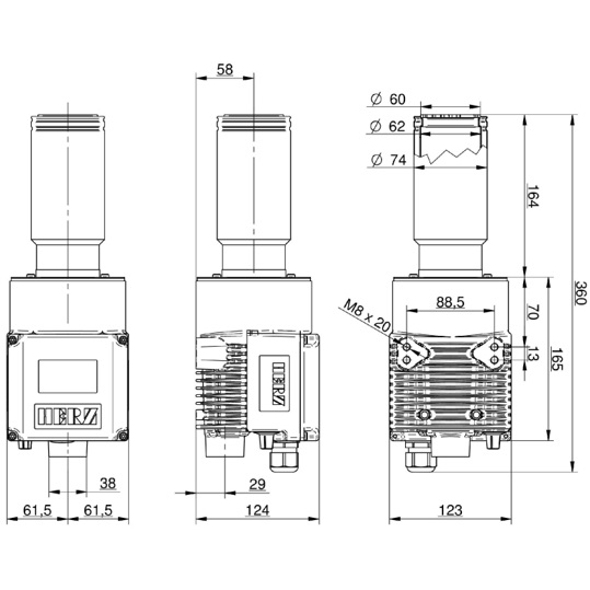
Especificações técnicas
Modelos e especificações:
|
Código/Modelos L62 |
Potenciômetro |
5102156 |
5102169 |
5102183 |
Sob encomenda |
5102161 |
5102171 |
5202092 |
5102175 |
5102084 |
| Controle externo |
5102157 |
5102165 |
5102176 |
Sob encomenda |
5102162 |
5113725 |
5202090 |
5102178 |
5700067 |
| Sem eletrônicos |
5102160 |
5102173 |
5109138* |
5102155 |
5102164 |
5102177 |
5202091 |
5102168 |
Sob encomenda |
| Voltagem |
VAC |
230 |
400 – 480 (2PH) |
400 – 480 (2PH) (480 (2PH)) |
230 (3PH) |
400 – 480 |
| Frequência |
Hz |
60 |
| Potência |
KW |
4,4 |
5,8 – 8,4 |
8,6 – 10,5 (12,4)* |
6,6 |
8,1 |
4,4 – 6,3 |
6,1 – 9,0 |
7,6 – 11,0 |
9,0 – 13,0 |
| Corrente elétrica |
A |
19,1 |
14,5 – 17,5 |
21,6 – 23,9 (25,8)* |
16,6 |
20,3 |
6,3 – 7,6 |
8,8 – 10,8 |
11,0 – 13,2 |
13,0 – 15,6 |
| Max. Temperatura |
°C |
700 |
| Min. Fluxo de ar |
l/min |
300 |
520 |
600 |
620 |
740 |
450 |
580 |
710 |
680 |
| Peso |
kg |
2,9 |
| Conexão aérea |
Ø mm |
38 |
| Saida de ar |
Ø mm |
55 |
| Tubo de proteção |
Ø mm |
62 / 74 |
| Dimensões |
mm (L x B x H) |
360 x 123 x 124 |
Aplicações
O gerador de ar quente industrial Herz L62 tem diversas aplicações em diferentes setores. Aqui estão algumas das principais:
1. Construção Civil
Secagem de Materiais: Acelera a secagem de concreto, argamassa e outros materiais, otimizando prazos de obra.
Aquecimento de Ambientes: Garante condições adequadas de trabalho em ambientes fechados durante períodos de frio.
2. Indústria Alimentícia
Desidratação de Alimentos: Essencial em processos de secagem de frutas, vegetais, carnes e outros alimentos.
Aquecimento de Processos: Mantém as temperaturas ideais em câmaras de produção, processamento e armazenamento.
3. Indústria Têxtil
Secagem de Tecidos: Agiliza o processo de secagem de tecidos e produtos acabados.
Processos Térmicos: Aplicado em tratamentos que exigem aquecimento controlado e constante.
4. Indústria Química e Farmacêutica
Secagem de Produtos: Eficiente na eliminação de umidade em produtos químicos e farmacêuticos, garantindo a qualidade final.
5. Agricultura
Aquecimento de Estufas: Mantém a temperatura ideal para o desenvolvimento de plantas em estufas, independentemente das condições externas.
Secagem de Grãos: Fundamental no pós-colheita, ajudando na secagem de grãos para evitar perdas e garantir a conservação.
6. Indústria de Papel e Celulose
Secagem de Papel: Acelera o processo de secagem durante a fabricação de papel.
Tratamento de Materiais: Apoia diferentes etapas do processamento de celulose e papel, oferecendo aquecimento eficiente.
7. Logística e Armazenagem
Aquecimento de Armazéns: Mantém estoques e produtos sensíveis em temperaturas controladas, protegendo contra danos por frio ou umidade.
Logística: Termoencolhimento de plásticos em pallets, linha branca entre outras linhas que precisam ser termoencolhidas.
8. Manutenção e Reparos
Aquecimento de Equipamentos: Facilita processos de montagem, desmontagem e manutenção, ao aquecer peças e componentes que exigem dilatação térmica.
Essas aplicações mostram a versatilidade e importância dos geradores de ar quente industrial em diversos setores, contribuindo para a eficiência e qualidade dos processos.